Начало 

Инновации 

J5Sport 

J5Sport-РПД 

Download 

"Матрица" и J5LS 

Программатор ЭБУ 

GM-Multec 

FAQ 

Cтатьи 

Форум 

В этом разделе вы можете скачать файлы с дополнительной информацией. 

Актуальные и не очень документы:

Для инженерного ЭБУ J5Sport:

Инструкция от системы управления J5-Sport v1 (26.01.2007)

Инструкция и схема проводки от системы управления J5-Sport v2 (20.06.2012)

Инструкция и схема проводки от системы управления J5-SportRPD (21.01.2020)

Для инженерных ЭБУ J5-J7 Online Tuner, CAR-CD(OKTJA)-V1 (старая аппаратная реализация):

Инструкция по сборке конструктора инженерного ЭБУ Январь-5.1 от порталов oktja.ru и carcd.ru все виды плат включая опытные (2018)

Инструкция по сборке конструктора инженерного ЭБУ Январь-7 от Казимира Алмазова (разработанно oktja.ru) (2005)

Инструкция от прошивки j5ls v4.3b v4.3c (01.02.2018) для атмосферных и турбированных ДВС.  ЭБУ Январь-5.1 Январь-7.2 Микас-7. 2 

Инструкция от текущей версии ПАК "Матрица" 1.0525 (08.2016)  

Innovate LC-1 - быстрый старт (25.04.2006) 

Программное обеспечение для просмотра логов в формате CSV. можно скачать тут (необходима регистрация). 

Программатор ЭБУ и K-line адаптер CAR-CD:

ПО и INF файлы (22.08.2016) 

Перспективные разработки в стадии тестирования:

Для инженерного ЭБУ Январь-5.1 V2 (новая аппаратная реализация):

Инструкция j5ls v4.6b (17.02.2008) 

Расшифровка кодов ошибок ПО J5LS_V46

Расшифровка кодов ошибок ПО 251ALL

Аннотация j5lsdv46 (22.08.2008)

Инструкция на ПАК "Матрица" 1.158b (10.12.2018) 

Инструкция на дополнение M7CNG для ПАК "Матрица"  (02.08.2023) 

Для разработчиков маршрутных компьютеров и диагностического ПО для ПК и КПК:

Дополнение протокола диагностики "Январь-5 Euro2" позволяющее получить дополнительные информационные параметры из всех прошивок J5LS (редакция 08.2020) 

Инофрмация о распиновке и назначение выводов, аппаратным доработкам контроллеров Январь-5, Январь-7, Микас-7, MS4.

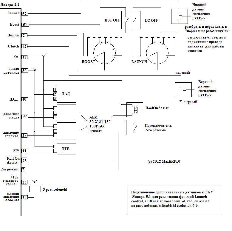
Схема подключения дополнительных датчиков и элементов управления давлением наддува launch-control roll on assist и др. к ЭБУ Январь-5.1 (28.06.2012)  

Распиновка и функциональное назначение выводов ЭБУ Январь-5.1 для работы с микропрограммой J5LS_V43 (02.01.2022)  

Распиновка и функциональное назначение выводов ЭБУ Январь-5.1 для работы с микропрограммой J5LS_V46 (02.01.2022)  

Распиновка и функциональное назначение выводов ЭБУ Январь-7.2 для работы с микропрограммой J7LS (20.02.2015)  

Распиновка и функциональное назначение выводов ЭБУ Mikas-7.1 для работы с микропрограммами M7LS_V43B M7LS_V46 M7ET_V46 (20.09.2012)  

Распиновка и функциональное назначение выводов ЭБУ MS4 (12.01.2022)  

Работа блоков управления Январь-5.1 Январь-7.2 Микас-7 на двигателях с 3 или 6 цилиндрами.

Информация о перекроссировке проводок и схемы исплант-переходников для установки систем управления на базе ЭБУ Январь-5.1 и Микас-7.1 на различные автомобили отечественного и иностранного производства.

Перепиновка проводки ПРИОРА-КАЛИНА-ГРАНТА M7.4 CAN на ЭБУ Январь-5. 

Перепиновка проводки УАЗ 3163-3724026-55 на ЭБУ Январь-5. 

Перепиновка проводки Subaru GC8 (1997-1998) на ЭБУ Январь-5. 

Перепиновка проводки Subaru 2001 м.г. на ЭБУ Январь-5. 

Перепиновка проводки Калина 11184-10 (люкс кондиционер) на ЭБУ Январь-5. 

Перепиновка проводки классики 21043-3724026-10 (Euro2) на ЭБУ Январь-5. 

Перепиновка проводки классики 21074-3724026 (Euro3) на ЭБУ Январь-5. 

Перепиновка проводки классики M7.4k 21074-3724026-20 на ЭБУ Январь-5. 

Перепиновка проводки 21104 на ЭБУ Январь-5. 

Перепиновка проводки 21154-3724026-20 на ЭБУ Январь-5. 

Перепиновка проводки Приоры 2170-50 (кондиционер) на ЭБУ Январь-5. 

Перепиновка проводки Шеви Нивы 2123 на ЭБУ Январь-5. 

Перепиновка проводки Mitsubishi Outlander 4G63 на ЭБУ Январь-5. 

Перепиновка проводки Mitsubishi Evolution-6 на ЭБУ Январь-5. 

Перепиновка проводки Mitsubishi Evolution-7..8 на ЭБУ Январь-5. 

Перепиновка проводки Mitsubishi Evolution-9 на ЭБУ Январь-5. 

Перепиновка проводки Citroen Saxo на ЭБУ Январь-5 

Перепиновка проводки Toyota 3S_GE (одинарный фазовращатель- расходомер) на ЭБУ Январь-5 

Перепиновка проводки Toyota Caldina ST215W на ЭБУ Январь-5 

Перепиновка проводки Toyota Caldina ST246 на ЭБУ Январь-5 

Перепиновка проводки Chevrolet Lacetti на ЭБУ Январь-5 

Перепиновка проводки Huyndai GETZ ACCENT (блок управления kefiko) на ЭБУ Январь-5.1 фото готового переходника 

Перепиновка проводки Huyndai GETZ ACCENT (блок управления kefiko) на ЭБУ Микас-7.1 

Перепиновка проводки Huyndai ELANTRA HD (блок управления simk43) на ЭБУ Микас-7.1 

Перепиновка проводки ВАЗ-21106 и др АМ с ДВС OPEL C20XE и ЭСУД motronic M2.8 (new) на ЭБУ Январь-5. 

Перепиновка проводки OPEL C20LET ЭСУД motronic M2.7 на ЭБУ Январь-5. 

Перепиновка проводки OPEL C20XE ЭСУД motronic M2.5 (old) на ЭБУ Январь-5. 

Перепиновка проводки OPEL C20XE ЭСУД motronic M2.8 на ЭБУ Январь-5. 

Перепиновка проводки OPEL C25XE (V6) на ЭБУ Январь-5.1 (6-ти цилиндровое ПО)

Перепиновка проводки OPEL C20NE ЭСУД motronic M1.5 на ЭБУ Январь-5. 

Установка Микас-7.1 в парралель с ЭБУ ME7.6.1 на автомобиль OPEL с двигателем Z14XEP. 

Перепиновка проводки 21144 (M7.4-8v-Kalina-EGAZ) на ЭБУ Mikas-7 ET 

Перепиновка проводки с ЭБУ Корвет M11.34 на ЭБУ Январь-5.1 для "DK-racing shortcut v2" включая подключение DASHBOARD AIM по аналоговым каналам 

Информация о перекроссировке проводок и схемы исплант-переходников для установки систем управления на базе ЭБУ Январь-7.2

Перепиновка проводки АМ Logan с ЭБУ EMS3132 на ЭБУ Январь-7.2 

Перепиновка проводок с ЭБУ Корвет M11.34 на ЭБУ Январь-7.2 

Подключение и настройка DASHBOARD AIM к ЭБУ Январь-5.1 по аналоговым каналам 

(с только основным жгутом - 37 пин или основным и вспомогательным жгутом 22 пин)

Схемы, калибровки и конфигурация входов на примере панели AIM MXP 

Архивные документы (устаревшее ПО):

Инструкция от прошивки j5ls l4.3 (13.05.2006) для атмосферных ДВС

Инструкция от прошивки j5ls v4.3 (13.09.2008) для турбированных ДВС

Аннотация J5LS_L43M2 (а.м. ОКА) (09.2008) для 2-х цилиндровых двигателей.