Работа с двигателями с 3-мя и 6-ю цилиндрами возможна для всего набора поддерживаемых блоков. Январь-5, Январь-7 и Микас-7. При этом естественно есть некоторые свои особенности в работе каждого блока. Все блоки для работы так или иначе приходится аппаратно дорабатывать, что требует от пользователя наличие соответствующих навыков.
Во всех блоках реализовано полностью фазированное (6 каналов) управление форсунками и wasted-spark (метод холостой искры) трех канальное управление зажиганием.
Во всех блоках кроме Январь-7.2 так же реализовано управление давлением наддува и возможность работы с моментным РХХ.
К блокам Январь-5 3-х канальные катушки подключаются через доработанные коммутаторы. К блокам Январь-7 (только 16v блоки) напрямую. К Mikas-7 2 катушки подключаются напрямую а одна через доработанный коммутатор.
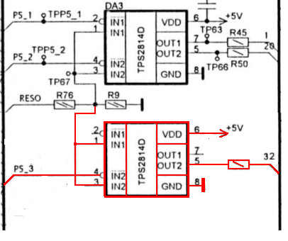
Доработка блока Январь-5: сводится к установке в него еще одной микросхемы TPS2814D 2-м этажом с разводкой канала зажигания с выхода P5.3 процессора через дополнительный драйвер на вывод 32 ЭБУ как и 2 других канала - это довольно известное решение поэтому подробно останавливаться на нем не будем. В случае если предполагается использование моментного РХХ. (выводы 31 и 36) так же надо удалить диод VD7 связанный с 17 выводом ЭБУ. *

Для более устойчивого управления коммутаторами резисторы R45 R50 и вновь устанавливаемый резистор рекомендуется уменьшить до 100-120 Ом.
Для блоков Микас-7: так же надо установить микросхему TPS2814D вместе с ее обвязкой в пустое место на плате. (такая доработка уже описана тут). В блоке Микас-7 два канала зажигания управляются встроенными ключами а для 3-го необходим внешний коммутатор (доработанный карбюраторный Астро). Необходимо удалить диод связанный с 23 выводом. Установить все элементы в цепи второго входа датчика детонации (если предполагается использовать оба датчика).
Кроме того для блока Микас-7 существует вариант ПО с трамблерным распределением искры. При этом одна единственная катушка подключается к любому из 2-х силовых каналов зажигания, а распределение искры по цилиндрам двигателя обеспечивается штатным трамблером.
Для блоков Январь-7: необходимы стандартные доработки под ДАД (описаны тут) и установка дополнительных ключей типа 1NV04P однако затворы этих ключей необходимо поднять над платой и проводами подключить к следующим выводам процессора: *
Затвор DA11 - (управляющего 26 выводом ЭБУ) к сигналу P5.1 процессора (вывод 43).
Затвор DA12 - (управляющего 28 выводом ЭБУ) к сигналу P4.5 процессора (вывод 70). Проверьте наличие земли на 3-м выводе DA12 - в некоторых платах есть ошибка в разводке и земля там не разведена. В этом случае надо замкнуть 3 вывод на землю (3-й вывод ключа DA11). (Эта ошибка как правило есть в более новых платах - Автел 63.3763 301b и Ителма с меткой R.13, в платах старых - 301a и R.7 ошибки нет)
3-х цилиндровые атмосферные ДВС на ЭБУ Январь-7.2 могут быть настроены с минимумом доработок (в частности допаивать каналы форсунок не нужно - достаточно использовать те, что есть в режиме попарно параллельного или фазированного впрыска).
Управление давлением наддува и адсорбером возможно в блоке Январь-5 - в случае применения шагового РХХ штатно. С моментным РХХ давление наддува управляется с 54 вывода ЭБУ Январь-5, работа с адсорбером не возможна. В блоке Микас-7 так же возможно управление давлением наддува (используется 32-й вывод ЭБУ) - работа с адсорбером не возможна. В Январь-7 невозможно управление давлением и адсробером!
Во все блоки должен быть установлена микросхема DS2401! (В Я5.1 и Микас - на штатное место. В январь 7.2 по схеме аналогичной инженерному ЭБУ). Иначе работа блоков с П.О. не возможна.
* - смотрите схемы соответствующих ЭБУ доступные например на чиптюнере.
Система проектировалась для использования штатных датчиков синхронизации двигателя BMW M50. Для определения положения коленчатого вала используется диск - 60-2. В ВМТ 'базового цилиндра номер 1' должен находится 15 зуб диска (начало зуба)! Изменение ни типа ни количества зубьев на диске ни его положения относительно коленчатого вала в системе не возможно.
Допускаются только ДВС с интервалом вспышек = 120 градусов ПКВ! У многих это вызывает определенные проблемы понимания. Поэтому я расскажу, как это определяется:
1) При снятых головках блока и вращении коленчатого вала в ВМТ всегда должны ОДНОВРЕМЕННО находится 2 цилиндра из 6ти!
2) Для рядного двигателя коленчатый вал симметричен и шейки расположены с углами 120 градусов при этом 3 оси проходят через 2 шейки каждая.
3) Для двигателя с развалом цилиндров 90 градусов - шатунные шейки в паре имеют развал 30 градусов.
4) Для двигателя развалом цилиндров 60 градусов все 6 шеек колен вала расположены через 60 градусов симметрично.
5) Для двигателей с трамблером - если рассмотреть крышку трамблера снизу то все 6 штифтов на нем должны находится с равными угловыми промежутками в 360/6=60 градусов.
Захват положения датчика фаз производится при прохождении 1-го зуба ДПКВ (т.е. все стандартно для Января). В случае если однозначное определение фазы не возможно - репер ДФ необходимо переделать (как это сделать описано в статье установка на иномарки). При этом цилиндр находящийся в конце фазы впуска в момент 1 зуба ДПКВ при состоянии выхода датчика ФАЗ = "0вольт" считается 1-м цилиндром во внутреннем представлении П.О..
Порядок работы двигателя в ПО принят как 1-5-3-6-2-4. Двигатели БМВ в зависимости от типа могут иметь ВМТ цилиндра 1 и 6 как на зубе 55 или на зубе 15, по сути нет разницы - при этом поскольку базой системы является 15-й зуб диска, в случае если ВМТ 1 цилиндра оказывается на 55м - управляющий сигнал цилиндра 1 подключается к форсунке 5 цилиндра ИТД по кругу (см таблицу). Т.е. цилиндры смещаются по кругу так - чтоб 1-м по внутреннему представлению П.О. оказался тот у которого в ВМТ 15 зуб диска.
Порядок работы различных двигателей https://en.wikipedia.org/wiki/Firing_order
В ПО реализовано полное фазированное индивидуальное управление топливоподачей всех 6-ти цилиндров с теми же критериями настройки фазы что и у 4-х цилиндровой прошивки. Корректно так же подается асинхронное топливо ускорительных насосов - во все 6 цилиндров. Однако после пуска пусковая асинхронная топливоподача идет только в 4 базовых цилиндра, что теоретически не должно сказываться на запуске ДВС, т.к. асинхронная подача не является обязательной. (в более поздних версиях асинхронная подача на пуске- так же во все 6 цилиндров)...
В ПО реализована диагностика 2х дополнительных форсунок и реализовано прямое управление для всех форсунок. (Диагностика возможна только с комплекса "Матрица").
Для нормальной работы двигателя подключение форсунок должно строго соответствовать описанию в таблице ниже. Ошибки не допускаются!
для двигателей с 6 цилиндрами и базовым принятым порядком работы 1-5-3-6-2-4.
| Порядок работы цилиндров принятый в ПО LS для 6-ти цилиндровых ДВС | Зуб диска 60-2 в ВМТ цилиндра | Вывод Январь-5.1 шаговый РХХ | Вывод Январь-5.1 моментный РХХ | Вывод Январь-7.2 | Вывод Микас-7 | Номер форсунки (цилиндра) двигателя М50 (штатный репер - 55 зуб ВМТ 1цил) |
| форсунка 1 | 15 | 23 | 23 | 27 | 17 | 5 |
| форсунка 5 | 35 | 36 | 5 | 28 | 23 | 3 |
| форсунка 3 | 55 | 35 | 35 | 7 | 35 | 6 |
| форсунка 6 | 15 | 31 | 17 | 26 | 5 | 2 |
| форсунка 2 | 35 | 16 | 16 | 6 | 16 | 4 |
| форсунка 4 | 55 | 34 | 34 | 47 | 34 | 1 |
| Управление давлением | - | 17 | 54* | нет | 32 | - |
| Фазовращатель | - | 54 | 54* | 11,29 | нет | - |
| Адсорбер | - | 5 | нет | нет | нет | - |
* - в зависимости от одной из выбранных функций.
Для двигателей 3 цилиндра при порядке 1-3-2. (в скобках при порядке 1-2-3)
| Порядок работы цилиндров 1-3-2 | Зуб диска 60-2 в ВМТ цилиндра | пин Январь-5.1 шаговый РХХ | пин Январь-5.1 моментный РХХ | пин Январь-7.2 | пин Микас-7 |
| форсунка 1 (1) | 15 | 23 | 23 | 27 | 17 |
| форсунка 3 (2) | 55 | 35 | 35 | 7 | 35 |
| форсунка 2 (3) | 35 | 16 | 16 | 6 | 16 |
| Управление давлением | - | 17 | 54 | нет | 32 |
| Фазовращатель | - | 54 | нет | 11,29 | нет |
| Адсорбер | - | 5 | нет | нет | нет |
В ПО применена методика управления накоплением и ограничениями полностью соответствующая 4-х цилиндровому ДВС, т.е. с пределом времени накопления = 174 грд ПКВ при тактности 120. Соответствие управляющих выводов цилиндрам см в таблице: В ПО реализовано попарно параллельное зажигание с холостой искрой для всех типов блоков и прошивок (включая 3-х цилиндровые схемы.)
| Цилиндры (внутреннее представление LS) | Зуб диска 60-2 в ВМТ соответствующих цилиндров | Пин управления коммутаторами Январь-5 | Пин катушки Январь-7 | Пин Микас-7 | Связь катушки с цилиндрами двигателя BMW М50 (55зуб ВМТ 1ц) |
| 1 и 6 | 15 | 20 | 2 | 20 (катушка) | 5 и 2 |
| 5 и 2 | 35 | 32 | 4 | 21 или 52 (коммутатор) | 3 и 4 |
| 3 и 4 | 55 | 1 | 5 | 1 (катушка) | 1 и 6 |
Многоискровой режим зажигания на пуске не реализован.
В Январе-7 необходимо контролировать систему защиты по току. Возможно потребуется установка дополнительных резисторов соединяющих сток ключей с землей блока. Возможно отключение защиты...
Несомненно одной из проблем работы прошивки могло стать значительное увеличение нагрузки на процессор в ЭБУ т.к. отдельные функции П.О. требуют теперь на треть больше времени выполнения. Однако в случае чего у этих проблем было как минимум 2 решения, которые применять не пришлось. П.О. построено по системе приоритетов и такие функции как главный цикл вообще могут длительное время не выполнятся, что никак не влияет на работоспособность двигателя и качество его управления. Наличие связи с ПК определяет возможность получения параметров диагностической сессии (автоматической настройки системы). После теста были получены следующие данные:
| тип ЭБУ и применяемое П.О. | Обороты потери связи при диагностике | Потеря управления форсунками | Сброс ЭБУ с потерей управления всеми исполнительными устройствами |
| Январь-5.1 J5LS_V43C_4C | >12000 | 13300 | в прошивках LS невозможен. |
| Январь-5.1 J5LS_V43C_6C | >10200 | 10620 | |
| Январь-7.2 J7LS_V43C_6C | >9380 | 10400 |
Таким образом до 9000 как минимум особенных проблем в работе П.О. 6-ти цилиндрового ДВС быть не должно. Участок 9400-10200rpm если он вдруг будет необходим в случае чего придется настраивать в ручную из за отсутствия связи.
В прошивке применен индивидуальный контроль детонации каждого цилиндра. В случае применения одного датчика детонации для всех цилиндров удаление датчика от цилиндров может быть компенсировано в П.О. с помощью программного аттенюатора. Для блоков Микас-7 (при доработке) возможно применение двух датчиков детонации и выбор канала датчика уже для каждого цилиндра индивидуально. Таким образом если на базовом двигателе разработчики использовали 2 датчика детонации наиболее рационально для работы с ним использовать ЭБУ Микас-7. Такая же ситуация с V образными двигателями с большим развалом.
В калибровках контроля детонации для трехцилиндрового двигателя установить значения как на картинке ниже:
Для 6-ти цилиндрового в этой калибровке все значения должны быть = 0.
Стоит помнить что в некоторых версиях эта калибровка используется так же для фазированного управления зажиганием в двигателе - поэтому ее правильность очень важна для возможности работы 3-х цилиндрового двигателя.
За базовую проводку можно взять вазовскую 21103-11. Набор датчиков и исполнительных механизмов в общем случае аналогичен 4-х цилиндровым ДВС.
Если система после сборки не видит оборотов - измените полярность у ДПКВ.
1) Прошивка существует для любых типов ЭБУ с процессорами С509.
2) Схема лицензирования не предусматривает взимание платы с "каждой машины" - достаточно наличия нашего программатора.
3) Отсутствуют ограничения по времени накопления зажигания - отсутствуют ограничения по энергии искры, точность управления временем накоплением зажигания (полностью аналогичная базовому алгоритму 4ц ДВС) выше - а диапазон накопления шире. Таким образом возможно гарантированное и без проблемное управление ДВС с высокой удельной мощностью по каналам зажигания.
4) Индивидуальный контроль детонации для каждого из 6-ти цилиндров с индивидуальной адаптацией шума по каждому из 6 цилиндров (в TRS контроль вообще не работоспособен хотя формально он там парный есть).
5) Применение стандартного репера с четко определенной схемой включения цилиндров обеспечивает 100% повторяемость в настройке системы. 'Фаза впрыска' и методика ее настройки полностью совпадает с прошивкой 4 цилиндра в случае грамотного монтажа системы. Таким образом все наработки по 4ц двигателям могут быть перенесены в 6-ти цилиндровое П.О. - с гарантированным соответствием всех реализованных законов управления и параметров управления.
6) Асинхронная топливоподача при ускорении работает для всех 6 цилиндров (в TRS только для 4х).
Двигатель без фазовращателей! Используются катушки с встроенными ключами зажигания, таким образом подходит только ЭБУ Январь-5.1 датчик фаз - Холл. ДПКВ- индуктивный. таким образом все датчики подходят, система может быть установлена без изменения проводки как имплант. Диск репера 36-2-2-2 переделывается в 60-2 под 15 зуб ВМТ 1 цилиндра (не ошибитесь с направлением вращения). Диск репера ДФ переделывается по требованиям описанным выше. все это делается со снятием двигателя с машины.
Датчиков детонации штатно 2 - Январь поддерживает только 1. В данном случае можно поставить мостик из стальной пластины и расположить датчик посередине. Штатные датчики хотя и являются широкополосными имеют внутри контакт между 2 пином разъема и землей. Для Января это не допустимо поэтому необходимо заменить датчик на датчик BOSCH или от ВАЗ 2112.
Порядок работы цилиндров у этого двигателя 1-6-3-2-5-4, геометрия: ход 80 диаметр 89.2, степень сжатия 10.7
| Подключение исполнительных механизмов к двигателю Subaru H6 | Зуб диска 60-2 в ВМТ цилиндра | Пин ЭБУ Январь-5.1 |
| форсунка 1 | 15 | 23 |
| форсунка 6 | 35 | 5 |
| форсунка 3 | 55 | 35 |
| форсунка 2 | 15 | 17 |
| форсунка 5 | 35 | 16 |
| форсунка 4 | 55 | 34 |
| катушки 1 и 2 | 15 | 20 |
| катушки 3 и 4 | 55 | 1 |
| катушки 5 и 6 | 35 | 32 |
| Клапан переключения впуска | - | 38 |
| Моментный РХХ | - | 31 |
| Управление давлением | - | 54 |
| Адсорбер | - | нет |
Между управляющими выводами катушек и ЭБУ Январь ставятся резисторы по 200 Ом (6 штук). В самом блоке - 510 Ом в цепях управления зажиганием меняется на 100-120 Ом.
Двигатель с фазовращателем на впуске. Порядок работы цилиндров двигателя - 1-2-3.
ВМТ 1цилиндра выставляется совмещением меток на шкиве генератора. - при этом используется отдельно стоящая метка - см. фото.

Репер 60-2 крепится на шкиве генератора. Напротив 15 зуба в ВМТ 1 цилиндра ставится ДПКВ от мотора ЗМЗ-406! Для крепления можно использовать точки крепления штатного ДПКВ как опору кронштейна.

После установки 60-2 и ДПКВ снимите клапанную крышку и проворачивая двигатель выпресуйте съемником все штатные штифты с реперного кольца датчика фаз. Сам датчик фаз заменяется на штыревой датчик Холла от ВАЗ 8v, для чего немного рассверлите посадку в ГБЦ. При снятой крышке выставьте двигатель в положение - конец фазы впуска 1 цилиндра, 1-й зуб на ДПКВ контролируя его по кулачкам впускного распределительного вала свазаным с 1 цилиндром. В этом положении сделайте отметку по центру отверстия датчика фаз, а затем провернув вал вверх, просверлите новое отверстие и нарежьте резьбу М6, вкрутите кусок сектора 45 градусов на герметике с зазором до датчика фаз 1.2-1.5мм. При сверлении использовать пылесос и магнитную ловушку для исключения попадания стружки в масло.
(на нашем двигателе центр сектора пришелся как раз на заводскую риску на распределительном валу)

Электронная дроссельная заслонка заменяется на дроссель от троссовой модели Shevrolet lacetti или Daewoo Nexia 16v (наиболее подходит по креплению на штатный ресивер). Или от двигателя ВАЗ (придется городить переходник). Режим работы в ПО выбирается с шаговым РХХ. Все остальные датчики на двигателе можно оставить оригинальные. Однако мы заменили датчики детонации и ТОЖ Вазовскими (это удобнее в дальнейшей эксплуатации). Так же возможно применение тросовой дроссельной заслонки от ранних моделей двигателя 1KR-FE.

С двигателя необходимо удалить систему рециркуляции ОГ с клапаном и планшайбой на впуске. Все ее каналы - заблокировать.
Распиновка ЭБУ Январь-5.1 для работы с двигателем 1КR-FE (указаны только отличия от штатной системы).
| 1КR-FE функции | Зуб диска 60-2 в ВМТ цилиндра | пин Январь-5.1 (шаговый РХХ) |
| форсунка 1 | 15 | 23 |
| форсунка 2 | 55 | 35 |
| форсунка 3 | 35 | 16 |
| Катушка 1 | 15 | 20 |
| Катушка 2 | 55 | 1 |
| Катушка 3 | 35 | 32 |
| Фазовращатель | - | 54 |
| Клапан управления наддувом | - | 17 (в случае турбо) |
| Адсорбер | - | 5 |
Флаги установить:
Форсунки 23250-40020 - 200сс. ДАД выбрать из списка в "Матрице".
Видео: Настройка авиаконверсии 1kr-fe
Порядок работы цилиндров двигателя - 1-3-2.
Распиновка ЭБУ Январь-5.1 для работы с двигателем Suzuki G10 (указаны только отличия от штатной системы).
| Suzuki G10 | Зуб диска 60-2 в ВМТ цилиндра | пин Январь-5.1 (шаговый РХХ) |
| форсунка 1 | 15 | 23 |
| форсунка 2 | 35 | 16 |
| форсунка 3 | 55 | 35 |
| Катушка 1 | 15 | 20 |
| Катушка 2 | 35 | 32 |
| Катушка 3 | 55 | 1 |
| Клапан управления наддувом | - | 17 (в случае турбо) |
Видео: Suzuki G10 турбо на Январе-5.1
http://www.reaa.ru/cgi-bin/yabb/YaBB.pl?num=1411897192/0
Вид двигателя представлен на фото. Двигатель практически полная копия Daithatsu CB-23 но оснащен современной системой впрыска, порядок работы цилиндров двигателя 1-3-2.
| Комплектация двигателя TJ376QE Euro 3 | |
| форсунки | 0 280 156 315, 106 cc/min (N-Heptan), 12Ohm |
| ДАД-ДТВ | 0 261 230 013 |
| ДПДЗ | 0 280 152 019 |
| ДФ | 0 232 103 052 |
| ДПКВ | 0 261 210 127 |
| КПА | 0 280 142 310 |
| РДТ | 3.0 BAR |
| ДК 1 | 0 258 006 027 LSF4.2 |
Для работы используется ЭБУ Январь-7.2 21124 (16v) проводка в машине никак не изменяется! Для обеспечения корректной работы с ДАД необходимо в цепи 37 вывода ЭБУ (как инженерного так и рабочего) резистор номиналом 5к1 обозначенный по схеме как R10 заменить на 100к (cм. рисунок разводки платы ниже), так же в ЭБУ должен быть установлен чип DS2401 c резистором 4к7 , других доработок ЭБУ не требуется. Используется спец версия ПО для блока Я7.2 с измененной логикой управления исполнительными устройствами в соответствии с схемой системы и методом синхронизации по ДПКВ-ДФ (J7LSo643.bin). ПО требует наличия датчика фаз (штатного). Через 7 секунд после запуска управление катушками зажигания из режима с холостой искрой переходит в фазированный режим для экономии энергии.
Перед заменой ЭБУ с автомобиля в обязательном порядке демонтируется катализатор и 2-я лямбда (состояние выходов управления нагревателем второй лямбды не определено - если лямбда останется в проводке может выйти из строя или она, или блок управления).
| TJ376QE функции | Зуб диска 60-2 в ВМТ цилиндра | Раскладка спец-ПО "ОКА3" | Штатная раскладка 6-цилиндровой системы для ЭБУ Я7.2 |
| форсунка 1 | 13 | 27 | 27 |
| форсунка 2 | 33 | 7 | 6 |
| форсунка 3 | 53 | 47 | 7 |
| Катушка 1 | 13 | 5 | 2 |
| Катушка 2 | 33 | 2 | 5 |
| Катушка 3 | 53 | 4 | 4 |
| 50 пин | реле вентилятора | реле стартера | |
| 69 пин | реле бензонасоса | реле кондиционера | |
| 11,29 пин | фазовращатель | фазовращатель | |
| 70 пин | реле кондиционера | реле бензонасоса |
Порядок работы цилиндров - 135426. Штатный ДПКВ и ДФ подходят. (15 зуб в ВМТ цилиндров 1 и 4). Поскольку на машине установлен ЭБУ Bosch Motronic M2.8 c 55-ти пиновым разъемом для установки ЭБУ Январь-5.1 необходимо просто перепиновать родной разъем. Все датчики и исполнительные механизмы подходят. В случае турбирования ДМРВ надо обязательно заменить на ДАД при этом +5в для ДАД берется с провода питания ДПДЗ.
Однако существует проблема - Январь-5.1 работает с 1м датчиком детонации а на моторе установлено 2. Эту проблему можно решить переносом ДД в развал и созданием мостика из стальной пластины между половинками блока таким образом чтоб ДД оказался как можно более равноудаленным от всех цилиндров..
| Опель V6 (С25xe) | Зуб диска 60-2 в ВМТ цилиндра | Январь-5.1 шаговый РХХ |
| форсунка 1 | 15 | 23 |
| форсунка 3 | 35 | 36 |
| форсунка 5 | 55 | 35 |
| форсунка 4 | 15 | 31 |
| форсунка 2 | 35 | 16 |
| форсунка 6 | 55 | 34 |
| катушка 1-4 | 15 | 20 |
| катушка 2-3 | 35 | 32 |
| катушка 5-6 | 55 | 1 |
| Управление давлением | - | 17 |
| Фазовращатель | - | 54 |
| Адсорбер | - | 5 |
Полную схему перепиновки поводки C25XE можно скачать в разделе Download.
Порядок работы цилиндров - 123456.
| Mazda V6 (K8) | Зуб диска 60-2 в ВМТ цилиндра | Январь-5.1 шаговый РХХ |
| форсунка 1 | 15 | 23 |
| форсунка 2 | 35 | 36 |
| форсунка 3 | 55 | 35 |
| форсунка 4 | 15 | 31 |
| форсунка 5 | 35 | 16 |
| форсунка 6 | 55 | 34 |
| катушка 1-4 | 15 | 20 |
| катушка 2-5 | 35 | 32 |
| катушка 3-6 | 55 | 1 |
| Управление давлением | - | 17 |
| Фазовращатель | - | 54 |
| Адсорбер | - | 5 |


Порядок работы - 1 5 3 6 2 4
Применять модуль зажигания BOSCH 0 986 221 015 Распиновка модуля зажигания:
| пин | пин ЭБУ Январь-5.1 | Назначение |
| 1 | - | GND |
| 2 | 20 | Зажигание 1-6 |
| 3 | 1 | Зажигание 3-4 |
| 4 | 32 | Зажигание 2-5 |
| 5 | 27 | + 12в Зажигания |
ДТОЖ штатный 06A 919 501A (Применять калибровку 2к5 при 20c).
Фазовращатель на впуске доработать по общим требованиям доработки для работы в ступенчатом режиме. Фазовращатель на выпуске удалить и заменить разрезной шестерней.
Подключение исполнительных механизмов к ЭБУ.
| Порядок работы цилиндров VR6 | Зуб диска 60-2 в ВМТ цилиндра | Вывод Январь-5.1 моментный РХХ |
| форсунка 1 | 15 | 23 |
| форсунка 5 | 35 | 5 |
| форсунка 3 | 55 | 35 |
| форсунка 6 | 15 | 17 |
| форсунка 2 | 35 | 16 |
| форсунка 4 | 55 | 34 |
| Управление давлением | - | НЕТ |
| Фазовращатель | - | 54 |
| РХХ Волга пин 1 | - | 31 |
| РХХ Волга пин 3 | - | 36 |
| Адсорбер | - | нет |
Перед запуском убедиться, что режимы работы моментного РХХ выставлены правильно иначе возможно спонтанное срабатывание форсунок 5-6.
(с) 2014-2019 emmibox - Вся информация предоставлена для личных целей. Копирование информации и размещение на сторонних ресурсах без разрешения автора запрещено.