Система управления энергетической силовой установкой предназначена для формирования зажигания и стабилизации оборотов для силовой установки в виде двигателя внутреннего сгорания с питанием природным или сопутствующим газом а также в некоторых вариантах всеми видами бензинов.
1) Наличие EGAS драйвера.(Внешнее или внутреннее управление расходом смеси- и таким образом оборотами или нагрузкой).
2) Максимальное число цилиндров. До 4, До 8 или До 12.
3) Наличие драйвера контроля клапана управления состава смеси (моментного РХХ-60). - При этой опции максимальное число цилиндров = 8.
4) Управление впрыском топлива (система впрыска газа либо впрыска бензина) - При этой опции максимальное число цилиндров = 4. Так же при этой опции бортсеть энергоустановки может иметь только напряжение 12-14вольт (1 автомобильный АКБ и стандартный автомобильный генератор).
5) Работа в системах с "множеством единиц" (в разработке).
1) 4, 8 или 12 слаботочных каналов зажигания с раздельным фазированным управлением, рассчитанных на работу с катушками зажигания VW (красными или черными) с встроенными ключами..
2) Стабилизация заданных в программе оборотов двигателя энергетической установки путем управления УОЗ и управления положением электронной дроссельной заслонки.
3) Возможность работы на энергоустановке с числом цилиндров до 24 с 2-мя электронными дроссельными заслонками (используется 2 ЭБУ по схеме master-slave). Межблочная коммуникация позволяет подключать все датчики лишь к Master ЭБУ.
4) Возможность управления составом смеси путем пропускания газа в смеситель с помощью моментного РХХ-60 (Волга). При этом максимальное число цилиндров на один ЭБУ = 8. Требуемая глубина регулирования состава обеспечивается наличием механического обводного канала с регулируемым вентилем либо подбираемыми дроссельными шайбами. Подбором этих шайб устанавливают максимально бедную смесь в установке обеспечивающую ее устойчивую работу на любом из режимов при закрытом канале РХХ-60. В дальнейшем обеспечивают заданную смесь настройкой положения РХХ-60 в зависимости от режима и типа двигателя и топлива.
5) Возможность работы с электронными форсунками (реализация впрыска топлива) для двигателей многотопливных энергоустановок малой мощности. В этом варианте может применяться для создания портативных резервных систем электропитания частных домов с номинальной электрической мощностью установки до 25кВт с использованием в качестве устройства для привода серийных маломощных эффективных автомобильных ДВС без наддува, конвертированных в многотопливные, в связке с синхронным генератором. Такая энергоустановка может работать как на природном газе, так и на сопутствующем газе, и всех видах бензинов одновременно. Переключение видов газа (пропан-бутан/метан) обеспечивается перенастройкой газового редуктора. Переключение ГАЗ/Бензин и выбор октанового числа бензина - выбором на панели управления установкой. В этом варианте также обеспечивается поддержка плавного фазорегулятора на впускном валу с ПИД контролем положения впускного вала, при условии если номинальные обороты энергоустановки не превышают 3600RPM (60гц на синхронном генераторе).
Температура ОЖ - Волга 406 (Микас-7.1).
Температура воздуха - Hundai Porter. (не обязательно для установок без наддува, обязателен для систем с впрыском)
ДПКВ - Волга 406. (для датчика с репером на маховике) renault logan (для датчика с репером на валу привода ТНВД)
ДФ - Волга 406 или ВАЗ-2111.
ДАД - Газель (атмосферный (не обязателен для установок без впрыска и наддува)). Либо в ассортименте поддерживаемых блоком Январь-5.1 (для установок с наддуовм).
Датчик венца маховика - VW ABF. (для систем с репером на валу привода ТНВД).
Порядок работы двигателя задается в проводке системы управления - таким образом проводка должна быть индивидуально выполнена для каждой модели двигателя. Задание каналов зажигания в прошивке ЭБУ либо их переназначение в прошивке ЭБУ не возможно!
Для систем с 1 ЭБУ (до 12 цил 1 электронная заслонка) порядок работы - ABCDEFGHIJKL ....
Для систем с 2-мя ЭБУ (до 24 цил 2 электронных заслонки) порядок работы - A1A2B1B2C1C2... итд.
6-ти проводной дроссель Subaru 1450A020 22030-28060 и др. подключается соответственно:
1 - выход дорожки 1 (28)
2 - +5в датчиков (12 или 47)
3 - выход дорожки 2 (39)
4 - масса датчиков (10 или 30)
5 - мотор 1 (29)
6 - мотор 2 (15)
(При подаче +12в на 15пин разъема ЭБУ и -12в на 29 пин разъема ЭБУ дроссель идет "на открытие".)
Иные подключать в соответствии с их распиновкой:
| Пин | ваз дельфи китай | Chery QQ6 | Бош УАЗ | Волга/УАЗ М11ЕТ Сименс | A2C59512935 |
| 1 | мотор | мотор | мотор | +5в датчиков | +5в датчиков |
| 2 | +5в датчиков | земля датчиков | земля датчиков | дорожка 2 | дорожка 1 |
| 3 | земля датчиков | +5в датчиков | +5в датчиков | масса датчиков | земля датчиков |
| 4 | мотор | мотор | мотор | дорожка 1 | мотор - |
| 5 | дорожка 2 | дорожка 2 | дорожка 2 | мотор + | мотор + |
| 6 | дорожка 1 | дорожка 1 | дорожка 1 | мотор - | дорожка 2 |
| Распиновка ЭБУ для работы в качестве контроллера силовой установки | |
| Пин | Описание |
| 1 | Сигнал зажигания цилиндр B. |
| 2 | Силовая земля |
| 3 | Управление реле клапана газа (MAX 16v) |
| 4 | Регулятор состава смеси цепь 1 / Сигнал зажигания цилиндр K. |
| 5 | Сигнал зажигания цилиндр I. |
| 6 | Масса аналоговых датчиков |
| 7 | Входной сигнал расходомера воздуха (подключается при начальной калибровке системы на новом типе ДВС). |
| 8 | Входной сигнал датчика фазы (вар1). / Входной сигнал датчика зубьев на маховике (вар2). |
| 9 | Дискретный вход (не используется) (вар1). / Входной сигнал датчика фазы. (вар2) |
| 10 | Масса аналоговых датчиков. |
| 11 | - |
| 12 | +5в для питания датчиков электронного дросселя и расходомера. |
| 13 | Вход сигнала коммуникации от 2-го ЭБУ (соединяется с пином 32 2-го ЭБУ). |
| 14 | Масса силовая. |
| 15 | Электронный дроссель 2 (двигатель) |
| 16 | Сигнал зажигания цилиндр F. |
| 17 | Сигнал зажигания цилиндр E. |
| 18 | +12вольт постоянного питания (МAX 16v) - не отключаемое питание ЭБУ |
| 19 | Общий. Масса электроники. Масса датчиков Холла. Масса дискретных входов. |
| 20 | Сигнал зажигания цилиндр A. |
| 21 | Сигнал зажигания цилиндр D. |
| 22 | Лампочка CE (MAX 12v) |
| 23 | Сигнал зажигания цилиндр J. |
| 24 | Масса силовая |
| 25 | Дискретный релейный выход (не используется). |
| 26 | Регулятор состава смеси цепь 2 / Сигнал зажигания цилиндр L. |
| 27 | +12в (+24в) после замка зажигания. (клемма 15 замка зажигания) (MAX 32v - цепи питания катушек зажигания) |
| 28 | дорожка 1 потенциометра электронного дросселя |
| 29 | Электронный дроссель 1 (двигатель) |
| 30 | Масса аналоговых датчиков. |
| 31 | |
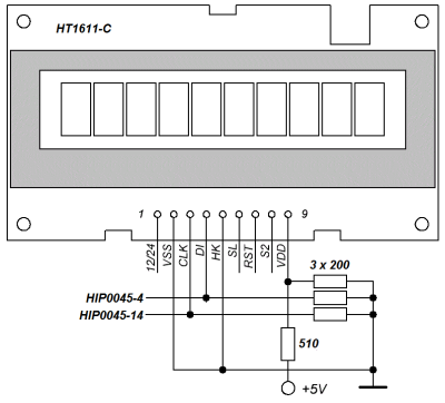
| 32 | Выход сигнала коммуникации на 2-й ЭБУ (соединяется с пином 13 2-го ЭБУ). (альтернативная функция - Тактовая для дисплея на HT1611C) |
| 33 | |
| 34 | Сигнал зажигания цилиндр H. |
| 35 | Сигнал зажигания цилиндр G. |
| 36 | |
| 37 | +12в после главного реле (питание 12-вольтовых цепей контроллера) (MAX 16v) |
| 38 | |
| 39 | дорожка 2 потенциометра электронного дросселя |
| 40 | Датчик тока фазы (0-500А) Max 5V (при применении датчика на 200А с выходом до 10В последовательно поставить резистор 20КОМ см. ниже).. |
| 41 | |
| 42 | Запрос на программирование ЭБУ. (запрещено подключать в проводке!) |
| 43 | Выход сигнала на тахометр. (альтернативная функция - Данные для дисплея на HT1611C) |
| 44 | Вход датчика температуры воздуха. |
| 45 | Вход датчика температуры охлаждающей жидкости. |
| 46 | Выход управления главным реле и реле блокировки зажигания. (MAX 16V) |
| 47 | +5в питания ДАД и датчиков педали (для отладки). |
| 48 | Датчик положения коленчатого вала - низкий уровень. |
| 49 | Датчик положения коленчатого вала - высокий уровень. |
| 50 | Сигнал ДАД. |
| 51 | Перемычка определяющая Slave ЭБУ (для систем Master-Slave). (сигнал педали 2 для отладки) |
| 52 | Сигнал зажигания цилиндр C. |
| 53 | (сигнал педали 1 для отладки) |
| 54 | Вход для синхронизатора (аналоговый канал) |
| 55 | Диагностическая шина K-Line |
Вар 1 - используется 2 датчика КВ (индуктивный) - на маховике. Фаз (Холла-низкочастотный) - на приводе допагрегатов.
Вар 2 - используется 3 датчика. КВ (индуктивный) на приводе допагрегатов (72-2-2). Фаз (Холла-низкочастотны) - на приводе допагрегатов. + Датчик зубьев маховика (Холла-высокочастотный) - напротив венца маховика.
Варианты выбираются исходя из необходимого качества регулирования и критериев устойчивости регулятора. При возможности нарезания 60-2 непосредственно на маховике выбирается вариант с двумя датчиками. Если такая возможность отсутствует - выбирается вариант с тремя датчиками.
Сигнальные земли зажигания (если имеются) соединяются с силовой землей в общей точке в непосредственной близости от ЭБУ.
Искровые земли зажигания (если имеются) присоединяются непосредственно к ГБЦ - с проводкой ЭБУ при этом у них связи быть не должно.
Силовые земли зажигания - соединяются с силовой землей по близости от точки заземления силовой земли на двигатель.
Плюс силового питания катушек зажигания так или иначе должен проходить через главное реле, для исключения самопроизвольных вспышек при включении питания ЭБУ.
| Функции аналоговых входов в прошивке M7СNG | ||
| Пин | Канал АЦП | Функция |
| 28 | P7.1=1 | Электронный дроссель канал 1 |
| 39 | P7.2=2 | Электронный дроссель канал 2 |
| 54 | P7.3=3 | Синхронизатор (100K на землю) |
| 40 | P7.6=6 | Датчик тока (20K на землю) |
| 45 | P7.7=7 | Датчик температуры ОЖ (1к8 на +5в) |
| 36 | P8.0=8 | Резерв (см плату) |
| 51 | P8.2=10 | Педаль канал 1 / Резерв. (1.8k + или 100к на землю) |
| 6,7 | P8.3=11 | Датчик массового расхода воздуха |
| 53 | P8.4=12 | Педаль канал 2 / Резерв. (470к на землю) |
| 50 | P8.5=13 | Датчик абсолютного давления (470к на землю) |
| 44 | P8.6=14 | Датчик температуры воздуха (1к +5в) |
Датчик венца маховика необходим высокочастотный способный выдавать при вращении шестерни с модулем венца маховика частоту на выходе не менее 8 кГц. Используется датчик положения коленчатого вала (холл) от двигателей WAG (ABF и др) номер детали 037906433A, 037906433С
Для установки 100квт используются датчики тока на 200АМПЕР с выходом 5 или 10 вольт или на 300АМПЕР с выходом только 10 вольт. Однако в любом случае в системе 100квт за 100% тока принимается 200Ампер = 5вольт на входе 40 ЭБУ. Для обеспечения этого соответствия в цепь датчика тока на 200АМПЕР с выходом 10 вольт ставится резистор 20кОм последовательно. В цепь датчика тока на 300А с выходом 10в ставится резистор 6.6666 кОм последовательно. Датчик тока 200АМПЕР выход 5в подключается напрямую.

4 цифры в левой части - обороты двигателя используемые в регуляторе оборотов (F0 или .F3 в зависимости от выбора комплектации) отображаются постоянно.
Параметры системы и ошибки отображаются в правой части дисплея по очереди. При этом параметры отображаются после литеры "P" а ошибки после литеры "F".
PX YY - Параметр X имеет значение YY.
FXXXX - Ошибка номер XXXX - см расшифровку кодов ошибок. (если нет ни одного кода FXXXX- ошибок в системе нет!)
| Номер параметра | Наименование параметра | Диапазон отображаемых значений | Размерность |
| P1 | Положение дроссельной заслонки | 00 - 99 | % |
| P2 | Температура охлаждающей жидкости | -40 - +99 | град С |
| P3 | Ток фазы | 00 - 99 | % |
| P4 | УОЗ для контроля стробоскопом | -50 - +50 | ГрадПКВ |
Перед запуском нормальное состояние: Обороты = 0. Положение дроссельной заслонки = 12-28%, температура = соответствует температуре ДВС, ток фазы = 00% ,УОЗ= -2 - +5 угловых градусов. Отклонение в любом параметре свидетельствует о неисправности системы.
Индикатор в левой части после прокрутки будет показывать последние зафиксированные обороты.
| Номер ошибки | Расшифровка ошибки | Причина или действие. |
| F0335 | Ошибка датчика оборотов F0 (датчик положения коленчатого вала). | -неисправность датчика
положения коленчатого вала (обрыв).
-налипание стружки на магнитную часть датчика. -поврежден реперный диск датчика положения коленчатого вала -недопустимое биение диска датчика положения коленчатого вала -зазор датчик диск некорректен -обрыв или замыкание в цепи датчика положения коленчатого вала -параметры ДПКВ в программе не соответствуют фактической конфигурации железа системы управления. |
| F0340 | Ошибка датчика фаз | -неисправность датчика фаз
-налипание стружки на магнитную часть датчика фаз. -поврежден реперный диск ПКВ метка ДФ выставлена не корректно -зазор датчик диск некорректен -обрыв или замыкание в цепи электропроводки датчика -параметры ДФ в программе некорректны |
| F0562 | Низкое бортовое напряжение | - стартовые аккумуляторы
разряжены либо замкнута часть банок
- неисправна проводка системы управления |
| F0112 | Низкий уровень сигнала датчика температуры воздуха | -датчик неисправен
-короткое замыкание в цепи датчика |
| F0117 | Низкий уровень сигнала датчика температуры охлаждающей жидкости | -датчик неисправен
-короткое замыкание в цепи датчика |
| F0122 | Низкий уровень сигнала датчика положения дросселя (дорожка 1) | -электронный дроссель
неисправен
-короткое замыкание сигнала датчика (дорожка 1) на землю - обрыв в цепи +5в питания датчика |
| F0113 | Высокий уровень сигнала датчика температуры воздуха | - обрыв в датчике или повреждение
элемента
- обрыв в цепи проводки ЭБУ-Датчик |
| F0118 | Высокий уровень сигнала датчика температуры охлаждающей жидкости | - обрыв в датчике или повреждение
элемента
- обрыв в цепи проводки ЭБУ-Датчик |
| F0123 | Высокий уровень сигнала датчика положения дросселя (дорожка 1) | -электронный дроссель
неисправен
-короткое замыкание сигнала датчика положения дросселя на +5в -обрыв в цепи сигнальной земли датчика |
| F0524 | Низкое давление масла | -механическая неисправность
двигателя силовой установки
-неисправность датчика давления масла или его цепей |
| F3905 | Перегрузка силовых каскадов цепи питания привода электронной дроссельной заслонки | -электронная дроссельная
заслонка неисправна
-замыкание в цепи привода электронной заслонки -неисправен драйвер привода в ЭБУ |
| F3902 | Ошибка датчика оборотов F3 | -неисправность датчика Холла
-поврежден венец маховика. -зазор датчик -венец маховика некорректен -обрыв или замыкание в электропроводке системы в цепи датчика венца маховика -число зубьев на венце маховика в программе не соответствует фактическому числу зубьев на венце маховика. -быстродействие датчика Холла по частоте недостаточно (превышен предел по частоте для данного типа ДХ). -ширина зуба венца маховика для данного датчика недостаточна. |
| F3907 | Авто-калибровка дроссельной заслонки завершилась с ошибкой в значениях калибруемых параметров. | - неисправен модуль электронного
дроссельного узла
-обрыв или замыкание в проводке системы в цепях сигналах датчиков, питания датчиков или питания привода электронной дроссельной заслонки. (если нет характерного закрытия-открытия при включении). -неисправен драйвер привода заслонки в ЭБУ |
| F1610, F3906, F1612, F1603, F0603, F3904, F1602, F1611, F3900, F3901, F3903. | Внутренние ошибки системы | -обратитесь в техническую поддержку сообщив номер ошибки. . |
В системах с дисплеем HT1611C пользовательская диагностика и последующий ремонт выполняется по информации отображаемой на дисплее.
В системах с разъемом OBD-2 пользовательская диагностика выполняется по протоколу "ВАЗ-2112 c ЭБУ Январь-5.1 под нормы токсичности Евро-2", любым автомобильным оборудованием и ПО работающим с этим протоколом (например: диагностические сканеры-тестеры ВАЗ, мульти-марочные сканеры, маршрутные компьютеры, wifi-bluetooth адаптеры c соответствующим ПО), при этом часть параметров (например ток фазы) не будут доступны и должны контролироваться по входам ЭБУ с помощью тестера или осциллографа.
При монтаже системы полнофункциональная диагностика и полнофункциональная настройка выполняются с использованием программно-аппаратного комплекса "Матрица".
При расположении совместного реперного диска ДПКВ-ДФ на приводе вала ТНВД:
1) Шкив ДПКВ-ДФ 36-2 повторяется 2 раза (72-4) и устанавливается на вал привода ТНВД.
2) Применяется датчик ПКВ с тонким штырем. ("Renault" K4M-F4R).
3) ВМТ цилиндра А соответствует прохождению конца зуба номер 9 шестерни ДПКВ напротив центра датчика ПКВ.
4) Использовать отдельный датчик венца маховика.
При расположении ДПКВ на маховике а ДФ на приводе вала ТНВД:
1) Реперная область формулы 60-2 нарезается на маховике.
2) Применяется датчик ДПКВ "Волга-406"
3) ВМТ цилиндра А соответствует прохождению конца 15-го зуба ПКВ напротив центра датчика ПКВ. (стандартно для 3-6 цилиндров)
При расположении совместного реперного диска ДПКВ-ДФ на приводе вала ТНВД:
1) Шкив ДПКВ-ДФ 36-2 повторяется 2 раза (72-4) и устанавливается на вал привода ТНВД.
2) Применяется датчик ПКВ с тонким штырем. ("Renault" K4M-F4R).
3) ВМТ цилиндра А соответствует прохождению конца зуба номер 12 шестерни ДПКВ напротив центра датчика ПКВ.
4) Использовать отдельный датчик венца маховика.
При расположении ДПКВ на маховике а ДФ на приводе вала ТНВД:
1) Реперная область формулы 60-2 нарезается на маховике.
2) Применяется датчик ДПКВ "Волга-406"
3) ВМТ цилиндра А соответствует прохождению конца 20-го зуба ПКВ напротив центра датчика ПКВ. (стандартно для 4-8 цилиндров).
При этом во всех случаях в конце фазы впуска цилиндра А соответствующей прохождению мимо датчика ПКВ конца зуба номер 1 шестерни ДПКВ или зуба 1 на маховике - штырь ДФ находится напротив датчика ДФ Зазоры датчик-репер ДПКВ-ДФ должны быть установлены в диапазоне 0.8-1.2мм
Любые ошибки приведут к неверному формированию УОЗ и не запуску двигателя. Двигатель работает строго в фазированном режиме зажигания при этом импульсы зажигания начинают формироваться только после проверки фазирования - т.е. прохождения не менее 2х 3х полных оборотов КВ.
(с) 2022-2023 emmibox - копирование информации без разрешения автора запрещено.